

型號 | 額定流量 | 額定壓力 | 額定轉速 | 容積效率 | 總效率 | 壓力脈動 | 噪聲值 | 電機功率 | 重量 |
CB-B2.5 | 2.5 | 2.5 | 1450 | ≤70 | ≤63 | ±0.20 | 62~65 | 0.37 | 2.4 |
CB-B4 | 4 |
|
| ≤80 | ≤72 |
|
|
| 2.8 |
CB-B6 | 6 |
|
|
|
|
|
| 0.55 | 3.2 |
CB-B10 | 10 |
|
| ≤90 | ≤81 |
|
|
| 3.5 |
CB-B16 | 16 |
|
|
|
|
| 67~70 | 1.1 | 5.2 |
CB-B20 | 20 |
|
|
|
|
|
|
| 5.4 |
CB-B25 | 25 |
|
|
|
|
|
| 1.5 | 5.5 |
CB-B32 | 32 |
|
| ≤94 | ≤85 |
|
|
| 6.0 |
CB-B40 | 40 |
|
|
|
|
| 74~77 | 2.2 | 10.5 |
CB-B50 | 50 |
|
|
|
|
|
|
| 11.0 |
CB-B63 | 63 |
|
|
|
|
|
| 3 | 11.8 |
CB-B80 | 80 |
|
|
|
|
| 78~80 | 4 | 17.6 |
CB-B100 | 100 |
|
| ≤95 | ≤86 |
|
|
| 18.7 |
CB-B125 | 125 |
|
|
|
|
|
| 5.5 | 19.5 |
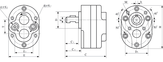
型號 | C | E | H | C1 | C2 | D | D1 | d | E1 | T | b | M | K1 | K2 |
CB-B2.5 | 79 | 66 | 96 | 25 | 30 | a35 | a50 | a12 | 35 | 30 | 4 | M6 | Z3/8" | Z3/8" |
CB-B4 | 82 | |||||||||||||
CB-B6 | 86 | |||||||||||||
CB-B10 | 94 | |||||||||||||
CB-B16 | 107 | 90 | 132 | 30 | 35 | a50 | a65 | a6 | 50 | 42 | 5 | M8 | Z3/4" | Z3/4" |
CB-B20 | 111 | |||||||||||||
CB-B25 | 115 | |||||||||||||
CB-B32 | 121 | |||||||||||||
CB-B40 | 132 | 102 | 154 | 35 | 40 | a55 | a80 | a22 | 55 | 52 | 6 | M8 | Z1" | Z3/4" |
CB-B50 | 138 | |||||||||||||
CB-B63 | 144 | |||||||||||||
CB-B80 | 158 | 121 | 186 | 45 | 50 | a70 | a95 | a30 | 65 | 65 | 8 | M8 | Z1/4" | Z1" |
CB-B100 | 165 | |||||||||||||
CB-B125 | 174 |